Spínače průtoku Danfoss FQS
Průtokové spínače Danfoss Saginomiya FQS
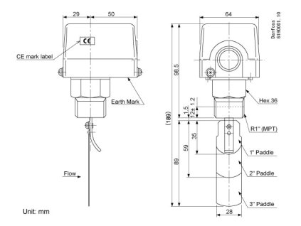
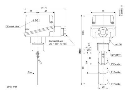
Průtokové spínače FQS jsou lopatkového typu pro obecné aplikace v potrubí kapalin. Kontaktní mechanismus SPDT vytváří nebo přerušuje elektrický obvod, když proudí spustí nebo zastaví.Průtokový spínač FQS lze použít pro jakoukoli kompatibilní kapalinu materiály ze slitiny mědi, což jsou části spínače, které přicházejí do styku s kapalinou. Elektrický kontaktní blok je zcela utěsněn od kapaliny. Pádlo se skládá ze tří segmentů, které lze vyjmout nebo oříznout a upevněný na spínači pro použití v potrubí o průměru 1” až 6”.Standardní lopatky jsou vyrobeny ze slitiny mědi.K dispozici jsou také lopatky z nerezové oceli.
Nejprodávanější
Řazení produktů
2 položek celkem
Výpis produktů
Ovládací prvky výpisu
2 položek celkem
VÝHODY
- jednoduchá montáž a zapojení
- rychlé a snadné přizpůsobení různé velikosti potrubí
- k dispozici vodotěsná verze
- instalace ve vertikální popř horizontální poloze
- schválení CE a UL
- Kontaktní systém SPDT
APLIKACE
- aplikace chlazené vody pro klimatizační systémy
- řízení průtoku vody pro tepelná čerpadla
- systémy zásobování teplou vodou
- protipožární systémy
